应用领域

人工智能数据中心

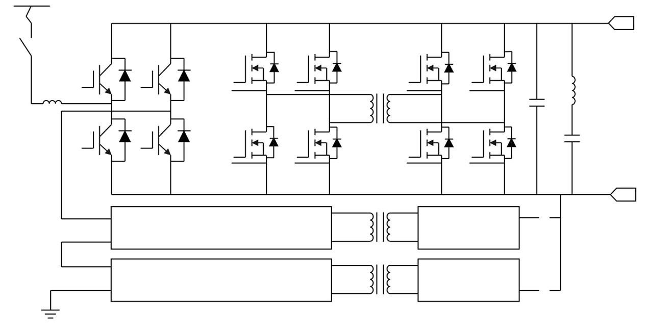
1.方案描述

固态变压器(SST)是AIDC(先进工业数据中心)的下一代核心供配电方案。它采用高频电力电子变换技术,替代传统工频变压器,通过AC/DC/AC或DC/DC多级架构,将中压输入直接转换为稳定、可控的直流母线或低压交流电。其核心价值在于实现高频电气隔离、功率双向流动与智能化控制,具有高功率密度、高电能质量和高可控性的优势,能显著提升数据中心的供电灵活性、可靠性与能效。
随着AIDC向高密度、绿色化与智能化发展,SST正成为解决传统供电瓶颈的关键。它尤其适用于大型/超大型数据中心、边缘计算节点以及对供电质量和空间要求严苛的特定工业场景。在“双碳”目标驱动下,其高效、适配可再生能源与储能直连的特性,使其在构建新型绿色数据中心和未来直流供配电生态中扮演战略性角色,市场潜力巨大。

2.系统示意图