>
<

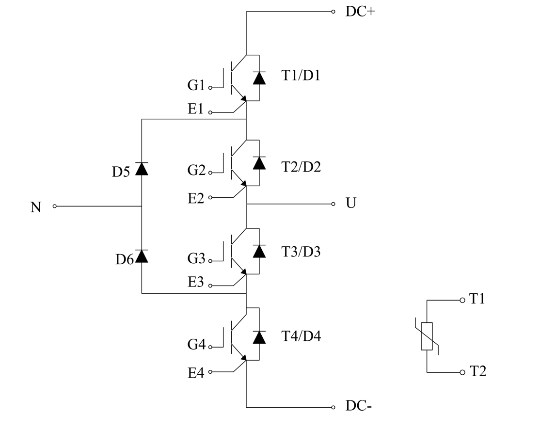
AMG100L65P2H3MB (ACP-2)

650V/100A IGBT模块

650V 沟槽栅 场终止工艺 650V Trench Gate Field-Stop Process

低电磁干扰 Low EMI

低开关损耗 Low Switching Losses

VCEsat 正温度系数 VCEsat with Positive Temperature Coefficient

低热阻三氧化二铝(Al2O3)衬底 Al2O3 Substrate with Low Thermal Resistance

紧凑型设计 Compact Design

集成的安装夹使安装坚固 Rugged Mounting Due to Integrated Mounting Clamps

应用行业:

三电平应用/3-Level-Applications储能/PCS不间断电源/UPS Systems太阳能系统/Solar Applications电能质量/APF/SVG

Datasheet下载
产品介绍
标题 应用 日期 操作
装配手册1 2026-02-02 查看下载
3d stp模型 2026-02-02 查看下载
Rohs&Reach报告 2026-02-02 查看下载