>
<

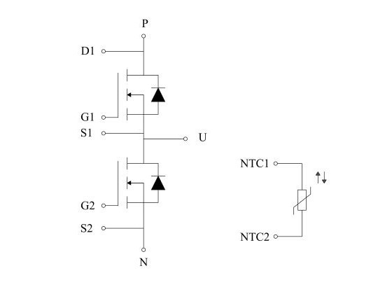
AMG600H12E1M3RB (ACE)

1200V/600A IGBT半桥模块

1200V沟槽栅 场终止工艺 1200V Trench Gate
Field-Stop Process

低电磁干扰 Low EMI

VCEsat 带正温度系数 VCEsat with Positive Temperature Coefficient

集成温度传感器 Integrated Temperature Sensor

低热阻三氧化二铝(Al2O3)衬底 Al2O3 Substrate with Low Thermal Resistance

应用行业:

光伏/Solar储能/PCS电动汽车/EV风电/Wind Power不间断电源/UPS工业控制/Motor Drve

Datasheet下载
产品介绍
标题 应用 日期 操作
暂无更多文件