>
<

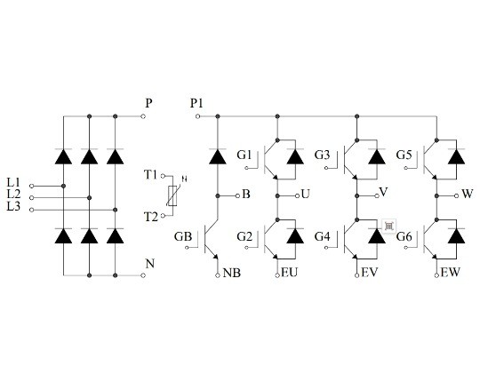
AMG015P12P1H3RA (ACP-1 PIM)

1200V/15A PIM模块

沟槽IGBT技术 Trench IGBT technology

10μs短路能力 10μs short circuit capability

VCE(sat)呈正温度系数 VCE(sat) with positive temperature coefficient

最大结温175℃ Maximum junction temperature 175℃

低杂感封装 Low inductance case

反并联快软恢复二极管 Fast &amp; soft reverse recovery anti-parallel FWD

采用DBC技术隔离铜基板 Using DBC technology

应用行业:

电机驱动/Motor Drives 通用变频器/ Universal Frequency Converter

Datasheet下载
产品介绍
标题 应用 日期 操作
安装手册 2024-06-12 查看下载
3d stp模型 2024-06-12 查看下载