>
<

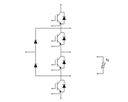
AMG225L12L1H3RA (ACL)

1200V/225A IGBT三电平模块

I型NPC三电平逆变模块 I type NPC Three−Level Inverter Module

沟槽IGBT技术带来的低VCE(sat) Low VCE(sat) trench IGBT technology

低导通和开关损耗 Ultra Low Conduction and Switching Losses

正温度系数 VCE(sat) with positive temperature coefficient

并联超快软恢复续流二极管 Including ultra Fast&amp;Soft Recovery anti-parallel FWD

低杂感设计 Low inductance case

应用行业:

三电平应用 3-Level-Applications不间断电源 UPS Systems太阳能系统 Solar Applications

Datasheet下载
产品介绍
标题 应用 日期 操作
暂无更多文件