>
<

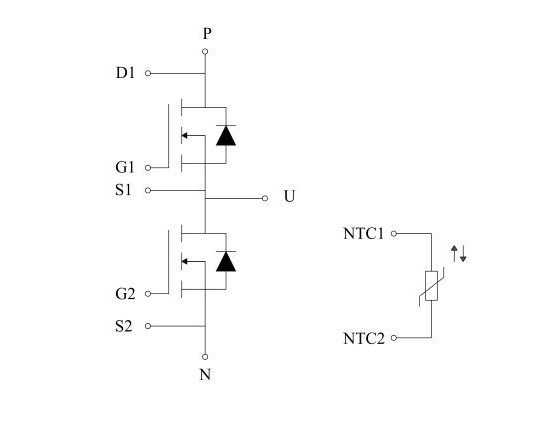
AMS018H12D1C3RA (ACD)

1200V/1.75mΩ SiC半桥模块

第三代半导体材料-碳化硅 The 3rd generation semiconductor material Silicon Carbide

阻断电压 1200V Blocking Voltage 1200V

低内阻、低开关损耗 Low RDS(on)、Low Switching Losses

低电感设计Ls≤5nH Low Inductive Design,Ls≤5nH

最大工作结温175℃ Tvj op=175℃

高性能氮化硅陶瓷 High Performance Si3N4 Ceramic

铜直接冷却底板 Direct Cooled Cu PinFin Base Plate

集成NTC Integrated NTC

应用行业:

车级应用 Automotive Applications 混动车 HEV 电机驱动 Motor Drives 升降压斩波器 Boost-Buck Chopper

Datasheet下载
产品介绍
标题 应用 日期 操作
暂无更多文件