
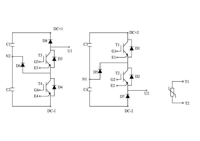
此次合作,阿基米德半导体提供的ACF-2三电平IGBT功率模块产品特性,拓扑和封装如下,该系列产品可适用于大功率逆变电源、储能PCS、光伏逆变器,APF等多个领域。此次采购项目的中标,意味着阿基米德半导体的IGBT模块将在许继电气的SVG,储能等产品中得到应用,这对于双方来都具有重大意义。

拓扑/Topology:

特性/Futures:
*适用于100kw PCS/Suitable For 100kw PCS
*可选内置直流电容/Optional Integrated DC Capacitor
*低VCEsat 低开关损耗/Low VCEsat/Low Switching
*VCEsat正温度系数/VCEsat With Positive Temperature Coefficient
*采用DBC+铜基板技术/Using DBC+Cu Substrate Technology
*三氧化二铝(AL2O3)和氮化硅衬底可选/AL2O3 or Si3N4 DBC Optional
许继电气(SZ:000400)简介:
许继电气成立于1993年3月15日,是国家电力系统自动化和电力系统继电保护及控制行业的排头兵,中国电力装备行业的领先企业,公司聚焦特高压、智能电网、新能源、电动汽车充换电、轨道交通及工业智能化五大核心业务,综合能源服务、先进储能、智能运维、电力物联网等新兴业务,产品广泛应用于电力系统各环节。是国家科技部认定的国家重点高新技术企业,国家520家重点企业和国家重大技术装备国产化基地之一,承担了国家“六五”至“十一五”期间等一系列重大攻关项目,其中大部分产品获得国家和省部级科技进步奖。公司2022年度收入149.2亿元,2024年截止发稿日总市值249亿元。
| 上一篇:阿基米德半导体首席科学家及团队与广.. | 下一篇:阿基米德半导体邀您相约上海EVTF展 |
安徽省合肥市高新区长宁大道789号5号楼

