在当前全球能源短缺的背景下,5月5日-10日,习近平总书记带领超过10家能源企业对欧洲进行访问。本次访问汇聚了包括中核集团、中国广核集团、国家电力投资集团等在内的中国能源巨头,以及正泰集团、晶科能源、天合光能等能源民企,涉足新能源车、储能双赛道业务的宁德时代、亿纬锂能、远景科技集团,涉足新能源车及储能业务的吉利控股集团、蔚来汽车、万帮数字、星星充电等。在访问期间,恰逢中法建交60周年,中法双方签署了多项合作协议,在能源领域,国家电投与法国电力集团签署了绿色氢能合作协议,中国石化与道达尔能源公司签署了战略合作框架协议,厦门钨业与法国ORANOSA公司签署了电池产业合作协议。远景科技集团旗下的远景动力在法国杜埃为雷诺汽车建设了绿色动力电池超级工厂,并计划与苏伊士集团共同创建零碳电池产业园。此外,远景还与法孚集团签署了全面合作协议,推动氢能、电池装备和数字智能等领域的合作。星星充电与施耐德电气签署了重组合资框架协议,共同推动欧洲清洁能源转型,围绕碳中和目标路径规划与实施、能源管理体系及能源数字化系统、微电网应用建设等项目展开深入合作。
中国的新能源企业不仅展示了其在新能源和储能技术方面的成就,也彰显了中国在全球能源转型中的积极角色。面对全球能源短缺的挑战,中国的新能源企业正以创新和合作的姿态,为全球能源的可持续发展贡献力量。阿基米德半导体作为储能行业的领先企业,其IGBT模块作为储能行业的核心组件,扮演着功率转换的重要角色。阿基米德半导体的三电平IGBT模块在这一领域有着独特的领先优势,同时解决关断电压应力和效率问题,使PCS整机最高效率>98.5%,电压应力大幅降低约80V。产品系列齐全,覆盖所有主流功率段,如125-150KW/ 200-230KW/2.5MW等。IGBT模块在以上多家头部PCS客户批量出货,总数超10万只。
对于各功率段PCS,阿基米德半导体的产品对应如下:
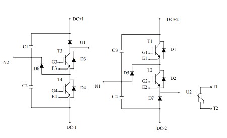
1000V系统,100KW PCS方案采用阿基米德ACP-2封装,产品规格为650V/150A,每相双并联。产品型号为:AMG150L65P2H3RA,拓扑及产品图片如下:


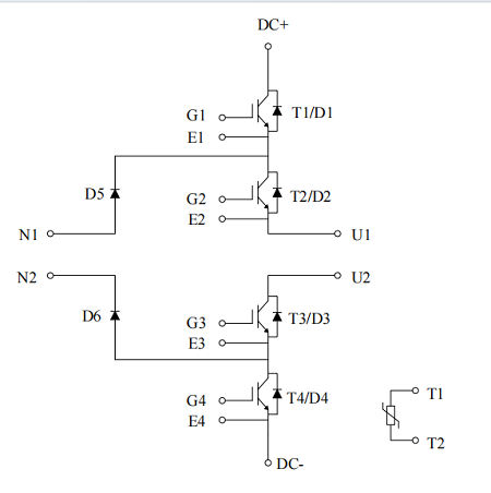
1)1000V系统,125-150KW PCS采用阿基米德ACP-3S封装,产品规格为650V 375A/450A,每项单模块,产品型号为:
(1)AMG375L65P4S5RC,(2)AMG450L65P4S5RC 拓扑及产品图片如下:

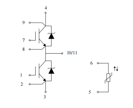
2)1500V系统,200-230KW PCS采用阿基米德ACP-3S封装,产品规格为1200V/400A,模块内部集成SiC二极管,每相单模块。
产品型号为:AMG400L12P4S5RA,拓扑及产品图片如下:


3)1.725-2.5MW PCS采用阿基米德ACE封装,产品规格为 1200V 600A/900A半桥模块,产品型号分别为:AMG600H12E1M3RB和AMG900H12E1M3RA,拓扑及产品图片如下:


更多产品欢迎浏览阿基米德半导体官网:www.ac-semi.com
| 上一篇:思格欧洲工商业光储充交流会成功举办.. | 下一篇:最新12款多合一电驱动产品盘点 |


