如今,随着光伏逆变器、储能变流器功率等级的不断提高,传统两电平拓扑早已 “力不从心”—— 器件电压应力高、输出谐波大、散热压力大,这些痛点让三电平拓扑成为光储行业的 “主流选择”。但三电平拓扑并非 “单一选项”,而是分为 INPC(传统I型中点钳位)、TNPC(T型中点钳位)、ANPC(有源中点钳位)三大技术路线。它们各有 “独门绝技”,分别适配不同的光储应用场景。今天就三种拓扑的 “优劣势”进行相关概述,助力客户选型。
一、三电平模块为什么适合光储场景应用
在聊具体拓扑前,先明确一个核心优势:三电平拓扑能将开关管的电压应力降至直流母线电压的1/2。比如在 1500V光储系统中,两电平拓扑的开关管需承受 1500V的母线电压,而三电平拓扑仅需承受750V。这意味着:
1、可选用更低耐压、更高开关频率的器件
2、输出电压波形更接近正弦波,谐波含量比两电平减少,可缩小滤波器体积
3、开关损耗更低,系统效率得到提升(对光储这类长时运行设备,年发电量增益非常可观)。接下来,我们逐个分析三种三电平拓扑的优劣势。
INPC是三电平拓扑的 “开山鼻祖”,结构简单,也是最早批量应用于光储的三电平方案,标准INPC拓扑如下图1所示:该拓扑单相桥臂由 4个IGBT和6个FRD组成,通过钳位二极管将输出电压“钳位”在母线中点电位(0V),实现+ Vdc/2、0、-Vdc/2三个电平输出。

图1 标准INPC拓扑
2.1 INPC拓扑应用优劣势:
l 成熟度高:技术成熟,芯片、驱动、控制方案相对简单,研发成本低
l 应用广泛:产业链成熟,相关配套方案齐全
l 成本可控:无需额外有源器件,物料成本低
l 损耗不均衡:内外管承受高开关以及高导通损耗(工作路径以及换流回路杂散参数),整体损耗较高,性能受限,散热面临压力
l 中点电位波动大:轻载或不平衡负载下,母线中点电位易偏移,需复杂的平衡算法进行补偿
l 开关频率受限:因损耗较高,开关频率通常较低,滤波器体积相对较大
l 集中式光伏逆变器:对成本敏感,且有足够空间布置大体积滤波器
l 大型储能变流器:多采用水冷散热,可缓解损耗集中问题
l 低压储能系统:母线电压低,中点电位波动影响较小
TNPC是在INPC基础上的 “优化款”,消除钳位二极管,双向开关钳位形成 “T” 型结构,解决了INPC损耗不均衡的痛点,标准TNPC拓扑如下图2所示:该拓扑单相桥臂由4个IGBT 和4个FRD组成,通过双向开关钳位形成T字结构进行输出。

图2 标准TNPC拓扑
3.1 TNPC拓扑应用优劣势:
3.1.1 优势分析:
l 性能优异:由于内管承受一半电压,可采用耐压更低、性能更优的器件;相对INPC逆变输出时仅流经一个开关管;结合两者因此导通损耗低,效率相对较高
l 可靠性高:无钳位二极管,消除二极反向恢复,可靠性进一步提升
l 开关频率:损耗相对较低,适合中高频应用
3.1.2 劣势分析
l 高电压应力:外管需要承担全母线电压,面临较高电压应力
l 导通损耗优势的局限性:在零电平状态下会消失(此时电流路径仍经过两个器件)
l 中点电位平衡控制困难:需复杂的算法平衡中点电压
3.2 TNPC拓扑适配的光储场景:
l 户用光伏逆变器:体积小、重量轻,安装灵活
l 工商业储能 PCS:对功率密度要求高,且成本可接受
l 微逆/组串式逆变器:高频特性适配小功率分布式场景
四、ANPC(有源中点钳位):“高性能旗舰”,大功率光储的 “未来方向”
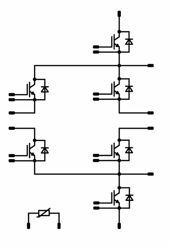
ANPC是三电平拓扑的 “顶配款”,将INPC的2个钳位二极管全部替换为IGBT,形成6个开关管的全有源结构,堪称 “无短板” 拓扑,标准ANPC拓扑如下图3所示:该拓扑单相桥臂由6个IGBT 和6个FRD组成,通过不同开关管的组合,可实现+ Vdc/2、0、-Vdc/2 三个电平的多种导通路径,既能灵活分配损耗,又能精准控制中点电位。
![]()

图3 标准ANPC拓扑
4.1 ANPC拓扑应用优劣势:
4.1.1 优势分析:
l 性能最优:损耗分布可控可调,热管理最优
l 高频高效:损耗低,滤波器体积最小,支持多模块并联,可实现最高的开关频率和功率密度
l 适配宽功率范围:从工商业到大型储能电站,均可通过调整开关管规格实现适配
4.1.2 劣势分析
l 器件成本高:比 INPC多2个 IGBT,物料成本高,若采用SIC成本会进一步增加
l 控制算法复杂:需协调6个开关管的时序,且需适配 “2快4慢”或 “2慢4快”等调制策略,软件开发有难度
l 1500V高压组串逆变器:高压场景下损耗优势更明显
l 大型储能电站 PCS:适配高功率、长寿命需求
l 光储充一体化电站:需同时满足光伏逆变、储能充放、充电桩供电,多工况适配性强
通过以上分析,对三电平拓扑有了初步的了解与认识,相关拓扑选型基础依据如下:从功率等级来看:小功率(≤500kW)选TNPC,中功率(500kW-2.5MW)选INPC,大功率(≥2.5MW)选 ANPC;从成本角度而言:预算有限、追求性价比,优先INPC;愿为性能买单,选ANPC;从应用场景来看:分布式、工商储、户用场景选TNPC(体积小),集中式、高压场景选ANPC(损耗低),传统大型电站选INPC(成熟可靠)。但对大多数企业而言,无需盲目追求 “顶配”,根据自身产品定位选择 “最适配” 的拓扑,才是最优解。
| 上一篇:功率模块结温测试:核心意义与技术挑.. | 下一篇:高压功率器件的SIPOS终端 |


